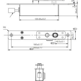
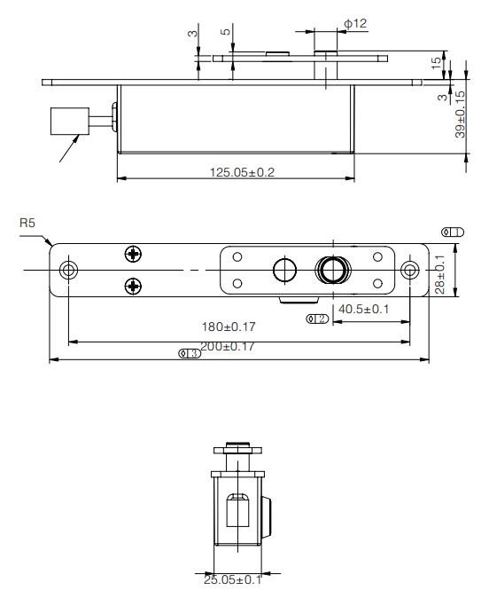
Speciality
- Security type: Lock when power off.
- Wide range of working voltage, adapt to different machines.
- Designed life time: 500,000 times.
- Standard mounting dimensions, suitbale for different machines.
- Emergency key available.
- The feedback signal of lock status can be customized.
- Door gap sensing distance ≤10mm.








